
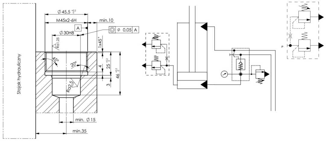
Release valve — FZU-M40-E-4 (833 130 01 00)
Entlastungsventil — dwustopniowe działanie, bardzo krótki czas otwarcia 2–5 ms; zakres 40–53 MPa.


Produktfoto

Produktfoto

Produktfoto

Produktfoto

Produktfoto
| 技术参数 | ||
|---|---|---|
| 主活塞直径 | mm | 19 |
| 控制活塞直径 | mm | 3,5 |
| 主活塞密封类型 | - | 金属-塑料 |
| 打开压力设定范围Pn | MPa | 40-53 |
| 流量最大计算值 | l/min. | ~2700 |
| 打开时间 | ms | 2-5 |
| 结构 | - | 不锈钢/黄铜 |
| 推荐履行等级 | ^m | 40 |
| 大概得阀螺纹尺寸 | - | M45x2 |
| 总重 | kg | 2,04 |
